Motorsport Products


Push Button Easy Install Electric Battery Master Switch (BAT-250)

 
Push Button Easy Install Electric Battery Master Switch
 
This kit allows the user to remotely switch battery power on and off using a simple push button switch system. Two red battery off switches are located inside and outside the vehicle cabin and one green push button switch is located inside the vehicle cabin to switch battery power on. A perfect safety edition to your vehicle to avoid rusting pull cables, MSA/FIA legal with schematic wiring diagram provided.
 
Push Button Clubman kit
 
Suggested uses:
  • Clubman spec vehicle (UK only events)
  • Can be upgraded to international spec
  • This unit can directly replace a mechanical battery master switch and meets MSA/FIA requirements for battery disconnect.
  • It is fully waterproof and can be mounted in a continuously wet location.
  • The unit is ideally suited to applications where the master switch is not left on for prolonged periods without the engine running.
  • Current rating 1500 amps for 2 seconds. 
  • 130 amps continuous. 
  • Average cranking amps for one minute.

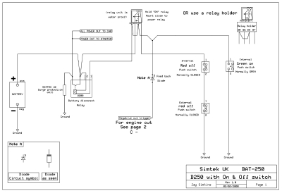
Wiring Schematic:

 BAT-250 Wiring Schematic
 
The kit includes:
  • 1 x    B200 power relay
  • 1 x    Spike suppressor
  • 1 x    Engine kill relay
  • 1 x    Hold Relay
  • 2 x    Relay holder
  • 2 x    Red push reflex button switches
  • 1 x    Green push reflex button switches
  • Necessary cable and connectors
  • Set instructions/Diagram      

NB It is preferable that this kit be fitted by an experienced technician.

£219.00 exc VAT
(£262.80 inc VAT)